了解最新公司动态及行业资讯

新闻中心

开环比例流量阀

时间:2021-11-26

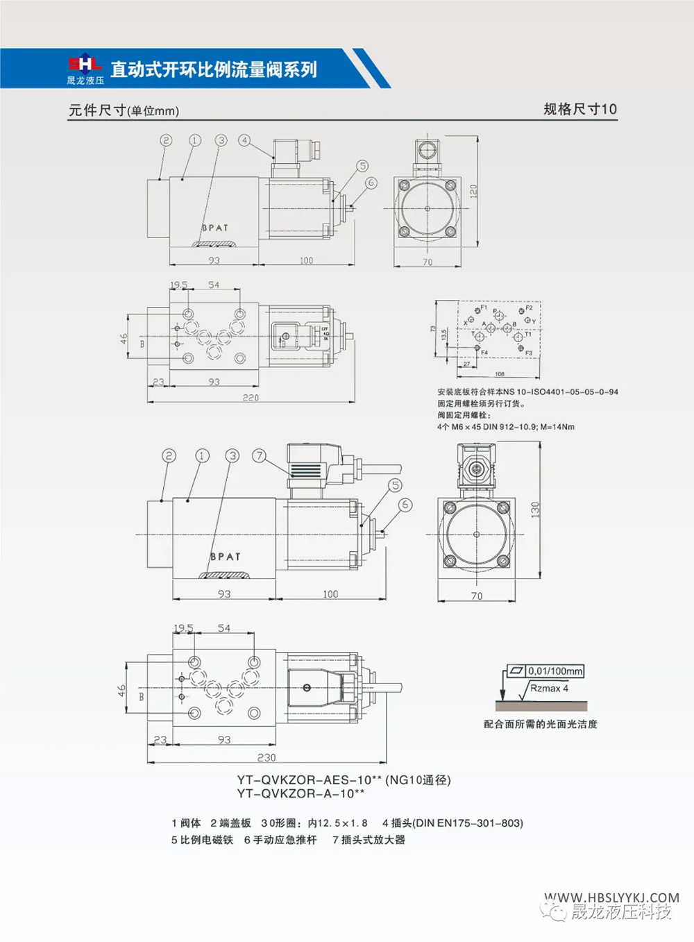
 基本介绍:比例电磁铁直接驱动阀芯;

                     三通型(PAB)流量是A口进,B口输出,P口不用;带有恒压差流量补偿功能,所以负载大小对B口输出流量影响很小;可选配插头式放大器或导轨式放大器;规格为6通径和10通径,板式安装结构;6通径流量范围:3.5、12、18、36、45L/min;10通径流量范围:65、90L/min;最大工作压力为25MPa以内;额定驱动电流3A(要求直流电源不小于2.5A);

1.jpg

2.jpg

3.jpg

4.jpg

5.jpg